Minha conta
0
0
  1. Principal
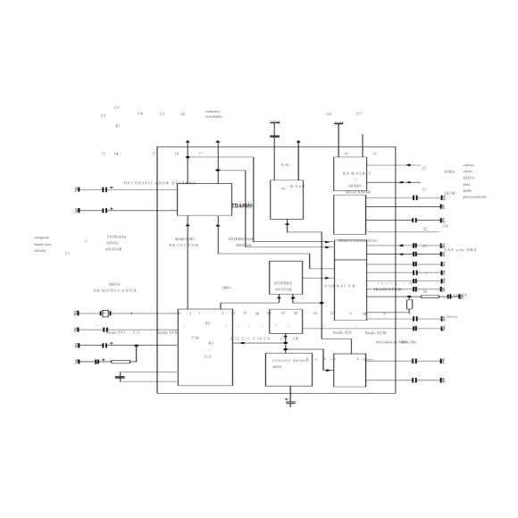
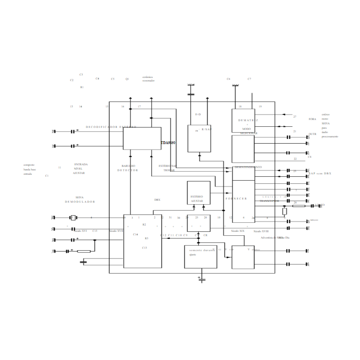
  2. Circuito Integrado Ci Decodificador TDA9850 SOT232-1 Philips

Circuito Integrado Ci Decodificador TDA9850 SOT232-1 Philips

(Cód. item 09.02269) 1095 em estoque | Outros produtos NXP
(0)
R$ 10,00

Não sei meu CEP?
Descrição

Circuito Integrado Ci Decodificador TDA9850 SOT232-1 Philips

Decodificador estério / SAP BTSC controlado por barramento I 2c

Descrição Geral

O TDA9850 é um estéreo BTSC/SAP bipolar integrado decodificador (controlado  por barramento I 2 C) para aplicação em aparelhos de TV, Videocassetes e multimidias


Produto do pacote: 1 CI Philips TDA9850 SOT232-1

0 Avaliações
Não há comentários para este produto.